JM 8 T 24V KNX
描述
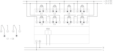
- 8通道窗帘控制器 24V FIX2
- 用于控制窗帘,百叶窗,遮阳棚,天窗和通风扇
- 在设备上手动操作(即使没有总线连接)
- LED显示每个通道的开关状态
- 无电位接触用于每通道的上下功能
- 快速配置复制功能
技术数据
| KNX工作电压 | 总线电压, ~4 mA |
| 工作电压 | 110 – 240 V AC |
| 待机功耗 | ~0,5 W |
| 频率 | 50 – 60 Hz |
| 通道数 | 8 |
| 宽度 | 8 modules |
| 安装类型 | DIN 导轨 |
| 连接类型 | Terminal screws | Bus connection: KNX bus terminal |
| 最大电缆截面 | 实心线: 0.5 mm² (Ø 0.8) to 4 mm² | 绞线端套: 0.5 mm² to 2.5 mm² |
| 触点类型 | 转换触点, 6 A |
| 开关容量 | 6 A (at 24 V DC) |
| 开关量输出 | Potential-free, for SELV, if the whole device switches SELV |
| 工作环境温度 | -5 °C … +45 °C |
| 防护等级 | IP 20 |
| 防护类型 | II according to EN 60 730-1 |
其他
| 商品编号 | 数据表 | 文件筐 | ||
|---|---|---|---|---|
![]() |
||||
JM 4 T 24V KNX |
||||
| 4940260 | ||||
| 更多 | ||||

