BMG 6 T KNX
描述
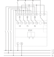
- 6 通道二进制输入 MIX2
- 基础模块 MIX2
- 最多可扩展到18个通道
- 6 浮动普遍和宽范围电压输入 (10-240 V ac/DC 或内部生成辅助的电压大约 12 V DC)
- 2个附加通道,可通过设备上的按钮操作
- 一个基础模块最多可连接两个扩展模块 MIX 或 MIX2
- 设备和KNX总线芯片可以独立地彼此交换
- 可插拨的总线芯片可以在不重新编程的情况下完成设备更换
- 即使没有总线芯片也可手动操作
- LED 灯显示每通道的开关状态
- 设备上可以手动操作(即使没有总线连接)
- 每个通道都可以手动操作的模拟输入状态
- 所有输入的电压可以不同,并在不同的电位下操作
- 连接电缆长度可达
- 功能自由分配:开关/按钮,调光,百叶窗/卷帘,计数器,重复电报,序列
技术参数
| KNX工作电压 | 总线电压, ≤4 mA |
| 工作电压 | 110 – 240 V AC |
| 频率 | 50 – 60 Hz |
| 待机功耗 | ~0,3 W |
| 宽度 | 4 modules |
| 安装类型 | DIN rail |
| 连接类型 | KNX bus terminal |
| 最大电缆截面 | Solid wire: 0.5 mm² (Ø 0.8) to 4 mm² | Stranded wire with end sleeve: 0.5 mm² to 2.5 mm² |
| 电压输出 | 10 V DC – 240 V AC 2 mA |
| 最大电缆长度 | 100 m |
| 辅助电压 | 12 V DC/18 mA, no SELV |
| 适用于 SELV | Yes, if all inputs are connected with SELV |
| 工作环境温度 | -5 °C … +45 °C |
| 防护类型 | IP 20 |
| 防护等级 | II according to EN 60 730-1 |
