ELPA 041
Description
- Flush-mounted staircase time switch, electronic
- Multi-functional device with 12 available functions, set at the front of the device
- Switch or push button connectable, i.e. existing switches can be used (e.g. when updating)
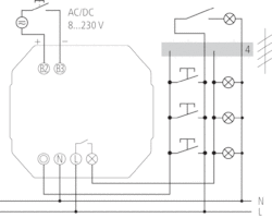
- Additional multi-voltage input electrically isolated for AC/DC 8...240 V, e.g. f眉r intercoms
- Switch-off pre-warning (two double flashes) in accordance with DIN 18015-2 to avoid sudden darkness
- 60 min. extended function activated via long button press
- Immediate secondary switching (stair light switch) or prematurely switched off (pulse switch with switch-off delay)
- Suitable for upgrades and new installation
- Zero-cross switching for relay-saving switching and high lamp loads
- Push button input with electronic overload protection
- Automatic 3 or 4 conductor detection (4 conductor with connection for floor lighting, 3 conductor no longer permitted for new systems)
- Extremely accurate
- Immediate secondary switching
Technical data
| Operating voltage | 230 V AC |
| Frequency | 50聽鈥撀60 Hz |
| Installation type | Flush-mounted |
| Stand-by consumption | ~0,1 W |
| Glow lamp load | 30 mA |
| Setting range time | 0,5聽鈥撀20 min |
| Type of connection | 3-/4-conductors |
| 3/4-way conductors | Automatic |
| Secondary switching | At once |
| Type of contact | NO contact |
| Opening width | < 3 mm (碌) |
| Switching output | Not potential-free (230 V) |
| Incandescent/halogen lamp load | 1800 W |
| Fluorescent lamp load (conventional) lead-lag circuit | 1200 VA |
| Fluorescent lamp load (conventional) parallel-corrected | 580 VA 54 碌F |
| Energy saving lamps | 110 W |
| LED lamp | < 2 W = 20 W or 2-8 W = 70 W or > 8 W = 110 W |
| Fluorescent lamp load (electronic ballast) | 200 VA |
| Fluorescent lamp load (conventional) series-corrected | 1200 VA |
| Fluorescent lamp load (conventional) not corrected | 1200 VA |
| Switching capacity |
6 AX (at 230 V AC, cos 蠁 = 0.3), 10 A (at 230 V AC, cos 蠁 = 1) |
| Test approval | VDE |
| Housing and insulation material | High-temperature resistant, self-extinguishing thermoplastic |
| Ambient temperature | -25 掳C聽鈥β+45 掳C |
| Protection class | II |
| Type of protection | IP 20 |
